Description
Description
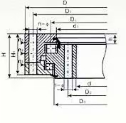
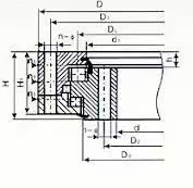
UWE three row roller slewing bearing is mainly made up of in-up ring, in-down ring and outside ring. Three rings are separated so each row roller loads can be confirmed exactly and they can bear axial force, resultant torque and considerable radial force at the same time. This series has the maximum load capacity of these four series. It features compact in design.


简体中文
