External Tooth Three Row Roller Slewing Bearing

Description
Description

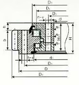
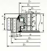
UWE three row roller slewing bearing is mainly made up of in-up ring, in-down ring and outside ring. Three rings are separated so each row roller loads can be confirmed exactly and they can bear axial force, resultant torque and considerable radial force at the same time. This series has the maximum load capacity of these four series. It features compact in design.
This triple row roller slewing bearings are widely application in heavy machinery, such as bucket wheel excavator, wheeled crane, marine crane, ladle slewing mechanism and large-tonnage mobile crane.